X
 16.03.2025 Наука

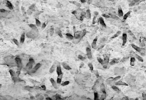
Откриени 66 отпечатоци од диносауруси во австралиско училиште

Фосилизирани отпечатоци од диносауруси биле откриени на камена плоча што со години собирала прашина во едно австралиско училиште, соопштија научниците.

Камената плоча била речиси незабележана 20 години, сè додека училиштето во руралната област Банана во Квинсленд не побарало од палеонтологот Ентони Ромилио да ги истражи трагите со три прсти врежани во неа.

Ромилио открил дека на плочата се наоѓаат десетици фосилизирани отпечатоци, стари околу 200 милиони години, кои датираат од раниот геолошки период јура.

1
Фото: University of Queensland

- Ова претставува една од најголемите концентрации на отпечатоци од диносауруси некогаш документирани во Австралија - рече тој и додаде дека е единствениот доказ за присуството, движењето и однесувањето на диносаурусите од период кога во Австралија не биле пронајдени никакви фосилизирани коски од овие праисториски суштества.

Историско откритие во училиштен двор


Плочата првично била откопана од рудари за јаглен во 2002 година кои, забележувајќи ги необичните траги, ја донирале на едно училиште во малиот град Билуела. Таму со години стоела изложена во ходникот на училиштето, незабележана од пошироката јавност.

- Некои наставници мислеа дека станува збор за реплика, а не за вистински фосил. Сите знаеја дека тоа е отпечаток од диносаурус, но не сфатија колку е значајно откритието - вели Ромилио.

Научниците откриле 66 јасно видливи траги на плочата, чија површина не надминува еден квадратен метар.

- Иако фосилизираните отпечатоци се едни од најчестите остатоци од диносауруси, многу истражувачи не им посветуваат доволно внимание. Тие едноставно ја немаат истата привлечност како фосилизираните коски - објаснува Ромилио.

Покрај ова откритие, Ромилио и неговиот тим пронашле уште еден значаен фосил во истиот регион. Кога стигнал на паркингот на рудникот за јаглен, тој забележал голем камен, поставен како бариера за автомобили, на кој јасно се гледале отпечатоци од диносаурус.

Извор: Science Alert
Фото: University of Queensland
Подготвил: Тамара Гроздановски

Издвојуваме

Слични вести од Fakulteti.mk

Наука